首頁 > 新聞中心 > 正文

知識∣金剛石焊接鋸片焊接技術分析

【發布時間】2026-03-25 01:31:35 【來源】 【作者】Admin 【瀏覽量】

  焊接金剛石鋸片在石材加工領域應用廣泛,焊接技術的質量好壞則會影響金剛石焊接鋸片的使用性能,更會影響實際的石材加工質量。為了更好的提高焊接質量,有必要對金剛石焊接鋸片進行焊接技術分析。


  一、金剛石焊接鋸片刀頭的受力分析

知識∣金剛石焊接鋸片焊接技術分析

  單粒金剛石在切削加工中受到的切割阻力為F1 ,實際與加工材料接觸的總金剛石顆粒數為N1 ,則

  F1 =N1 f1


  同理,f為麵上單粒金剛石的切割阻力,N2 為該麵上有效參與切割的金剛石顆粒數,則

  F2=N2 f2


  影響焊接麵結合強度的主要作用力是F1 ,F2和 F4對(dui)金(jin)剛(gang)石(shi)焊(han)接(jie)鋸(ju)片(pian)的(de)性(xing)能(neng)影(ying)響(xiang)較(jiao)小(xiao)。在(zai)金(jin)剛(gang)石(shi)焊(han)接(jie)鋸(ju)片(pian)刀(dao)頭(tou)所(suo)受(shou)切(qie)削(xue)阻(zu)力(li)的(de)影(ying)響(xiang)下(xia)會(hui)在(zai)焊(han)縫(feng)的(de)部(bu)位(wei)產(chan)生(sheng)很(hen)大(da)的(de)拉(la)應(ying)力(li)和(he)剪(jian)應(ying)力(li),嚴(yan)重(zhong)時(shi)會(hui)出(chu)現(xian)焊(han)接(jie)部(bu)位(wei)的(de)開(kai)裂(lie)或(huo)者(zhe)掉(diao)齒(chi)的(de)現(xian)象(xiang),避(bi)免(mian)這(zhe)種(zhong)現(xian)象(xiang)可(ke)通(tong)過(guo)增(zeng)強(qiang)焊(han)接(jie)強(qiang)度(du)來(lai)實(shi)現(xian)。


  二、金剛石焊接鋸片焊縫結合強度分析


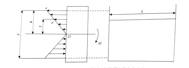
  假設金剛石焊接鋸片不動,刀頭在彎矩M的作用下其焊接麵的正應力分布圖,如下圖所示。

知識∣金剛石焊接鋸片焊接技術分析

  由上圖可知,在彎矩M的(de)作(zuo)用(yong)下(xia)金(jin)剛(gang)石(shi)焊(han)接(jie)鋸(ju)片(pian)刀(dao)頭(tou)的(de)上(shang)半(ban)部(bu)分(fen)呈(cheng)現(xian)被(bei)拉(la)的(de)趨(qu)勢(shi),而(er)下(xia)半(ban)部(bu)則(ze)表(biao)現(xian)為(wei)受(shou)壓(ya)的(de)作(zuo)用(yong),並(bing)各(ge)自(zi)呈(cheng)線(xian)性(xing)分(fen)布(bu)。金(jin)剛(gang)石(shi)焊(han)接(jie)鋸(ju)片(pian)刀(dao)頭(tou)上(shang)半(ban)部(bu)拉(la)應(ying)力(li)對(dui)O點產生的力矩為

知識∣金剛石焊接鋸片焊接技術分析

  金剛石焊接鋸片刀頭在彎矩M的作用下,由上式可計算出此時金剛石焊接鋸片刀頭與基體間最大拉應力為σ0 ,當焊接強度大於這個臨界值時就可以判斷該金剛石焊接鋸片的焊接強度是符合要求的。


  三、影響金剛石焊接鋸片焊接強度的因素分析


  想要保證金剛石焊接鋸片焊接強度,要注意釺焊的時間、 溫度、 感圈設計、釺(qian)料(liao)溶(rong)劑(ji)的(de)選(xuan)擇(ze)及(ji)金(jin)剛(gang)石(shi)焊(han)接(jie)鋸(ju)片(pian)焊(han)接(jie)表(biao)麵(mian)的(de)處(chu)理(li)等(deng)因(yin)素(su),均(jun)會(hui)影(ying)響(xiang)焊(han)接(jie)強(qiang)度(du)。焊(han)接(jie)的(de)溫(wen)度(du)和(he)時(shi)間(jian)對(dui)焊(han)接(jie)的(de)強(qiang)度(du)影(ying)響(xiang)較(jiao)大(da),焊(han)接(jie)溫(wen)度(du)較(jiao)低(di)會(hui)造(zao)成(cheng)釺(qian)料(liao)的(de)融(rong)化(hua)不(bu)充(chong)分(fen)而(er)不(bu)能(neng)將(jiang)金(jin)剛(gang)石(shi)焊(han)接(jie)鋸(ju)片(pian)刀(dao)頭(tou)與(yu)基(ji)體(ti)很(hen)好(hao)地(di)結(jie)合(he)。如(ru)果(guo)溫(wen)度(du)過(guo)高(gao)還(hai)會(hui)造(zao)成(cheng)刀(dao)頭(tou)金(jin)剛(gang)石(shi)的(de)損(sun)壞(huai)降(jiang)低(di)其(qi)強(qiang)度(du),甚(shen)至(zhi)金(jin)剛(gang)石(shi)焊(han)接(jie)鋸(ju)片(pian)基(ji)體(ti)的(de)變(bian)形(xing),所(suo)以(yi)應(ying)選(xuan)擇(ze)盡(jin)量(liang)低(di)的(de)焊(han)接(jie)溫(wen)度(du)基(ji)釺(qian)料(liao)。

相關文章: